聯系我們
- 聯系人:郭經理
- 傳真:010-69552656
- 電話:400-0346-119
- 電話:010-57113119
- 郵箱:506665119@qq.com
- 地址:北京通州區新華北路117號
翼捷S519紅外氣體傳感器
時間:2018-11-19 10:16:58 品牌:
![[!--oldtitle--]](/d/file/baojingshebei/2018-11-19/01c3d640736772180968054a874ab2de.jpg)
一、S519紅外氣體傳感器概述
紅外氣體傳感器基于紅外熱釋電傳感器技術,通過檢測特定氣體對特定波長的紅外線的吸收率,冀捷成功研制出紅外氣體傳感器,用于氣體泄露檢測。
●NDIR紅外檢測原理.多項--技術保障
●高精度,在-40℃~70℃全工作溫度范圍測量精度高達1%
●長壽命,使用壽命5倍于催化傳感器
●高可靠性,傳感器不會出現中毒現象
二、翼捷S519紅外氣體傳感器技術參數
| 標準工作電流 |
3.0~6.0VDC,建議用5.0VDC ≤60mA |
| 輸出電壓 |
0~0.3V,表示傳感器故障 |
| T90響應時間 | ≤20s |
| 1‰FS | |
| ≤10s | |
| ±2%FS | |
| 長期零漂 | ≤±1%FS/年 |
| 工作溫度 | -40℃~70℃ |
| 使用壽命 | 5年 |
三、翼捷S519紅外氣體傳感器技術參數
| 檢測氣體 | 量程 |
| 碳氫類可燃氣體(CnHm) | 0~100%LEL |
| 氯甲烷(CH3CL) | 0~100%LEL |
| 乙腈(C2H3N) | 0~100%LEL |
| 四氫呋喃(C4H8O) | 0~100%LEL |
| 二氧化碳(CO2) | 0~5%Vol |
| 一氧化碳(CO) | 0~5%Vol |
| 氮氧化物(NOx) | 0~1000ppm |
| 六氟化硫(SF6) | 0~1000ppm |
| 二氧化硫(SO2) | 0~1000ppm |
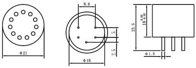
四、翼捷S519傳感器外形尺寸

線性
S519氣體傳感器在-40℃~70℃范圍內輸出為線性,測量誤差小于±1%LEL。下圖為甲烷氣體傳感器在不同溫度下的濃度輸出曲線。

甲烷氣體傳感器在不同溫度下的濃度輸出曲線







